公司介绍
董事长致辞
领导团队
企业荣誉
领导关怀
宏达风貌
时博网站网页
公司公告
公司新闻
媒体看宏达
行业新闻
政策法规
党建工会
党委
工委
宏达文化
文化理念
宏达之歌
营销中心
棒材
钢坯
线材
盘螺
产品认证
客户留言
客户留言
时博(中国)
时博(中国)
招聘信息
电商平台
首页
公司介绍
公司概况
董事长致辞
领导团队
企业荣誉
领导关怀
宏达风貌
时博网站网页
公司公告
公司新闻
媒体看宏达
行业新闻
政策法规
党建工会
党委
工会
宏达文化
文化理念
宏达之歌
营销中心
棒材
钢坯
线材
盘螺
产品认证
客户留言
时博(中国)
时博(中国)
招聘信息
电商平台
公司介绍
公司概况
董事长致辞
领导团队
企业荣誉
领导关怀
宏达风貌
时博网站网页
公司公告
公司新闻
媒体看宏达
行业新闻
政策法规
党建工会
党委
工委
宏达文化
文化理念
宏达之歌
营销中心
棒材
钢坯
线材
盘螺
产品认证
客户留言
客户留言
时博(中国)
时博(中国)
招聘信息
电商平台
时博网站网页
首页
时博网站网页
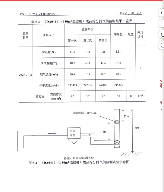
第3季度污染物监测结果
第3季度污染物监测结果
时间:
2025-10-22
第3季度污染物监测结果
第3季度污染物自行监测
400-635-6661(售后投诉)
sxhdjt@163.com
mk国际体育
|
开云手机
|
华体网页版登录入口
|
开云集团
|
MK官网
|
九州体育
|
拼搏官网入口
|
赢博在线(中国)唯一官方网站
|
milan米兰官网
|